Un mitigeur, qu'il soit de lavabo, de douche, de baignoire ou de cuisine, est un élément essentiel de notre quotidien, assurant notre hygiène et notre confort. Cependant, au fil du temps, ces appareils de qualité peuvent être affectés par les résidus de graisse, les particules de saleté et, plus particulièrement, les dépôts calcaires tenaces dus à la dureté de l'eau. Savoir comment entretenir et, si nécessaire, démonter un mitigeur Grohe est une compétence précieuse qui peut vous faire économiser du temps et de l'argent, en évitant de faire appel à un professionnel pour des opérations réalisables soi-même.

Comprendre l'Entretien Préventif : La Clé de la Longévité
Avant même de penser au démontage, une approche proactive de l'entretien peut considérablement prolonger la durée de vie de votre mitigeur Grohe et maintenir son esthétique et sa fonctionnalité. L'eau, bien qu'essentielle, peut être une source de dégradation pour les matériaux de robinetterie. Les dépôts calcaires, en particulier, ne se contentent pas de ternir l'éclat de votre appareil ; ils peuvent également réduire le débit d'eau et, à terme, endommager les composants internes.
L'Art du Détartrage Doux
Pour un nettoyage et un entretien de votre mitigeur qui soient une simple formalité, privilégiez des méthodes douces et respectueuses du matériau. L'idéal est de nettoyer la surface du mitigeur Grohe avec un chiffon en coton doux. Il est recommandé de n'humidifier ce chiffon qu'en cas de besoin. L'objectif est d'essuyer légèrement pour éliminer la plupart des salissures sans endommager le matériau. Il est crucial de proscrire l'utilisation d'éponges à récurer, de brosses ou de chiffons en microfibres, qui peuvent rayer la finition de votre mitigeur.
Pour les résidus calcaires, qui se nichent souvent dans les coins et sur les joints, l'utilisation d'un détergent doux à base d'acide citrique est vivement conseillée. L'acide citrique est un allié de choix pour plusieurs raisons : il est efficace contre le calcaire, possède un parfum agréable et, surtout, il est doux pour le mitigeur et pour l'utilisateur. Il est important de ne pas pulvériser le concentré directement sur le mitigeur, mais plutôt de l'appliquer sur un chiffon en coton. Ensuite, frottez doucement le mitigeur avec ce chiffon.
La fréquence de ce détartrage dépendra directement de la dureté de l'eau dans votre région. Si l'eau est dure, vous aurez vraisemblablement plus de dépôts calcaires. Pour éviter l'accumulation de résidus, une astuce simple consiste à essuyer brièvement le mitigeur, si possible après chaque utilisation. Cela permet d'éliminer l'eau avant qu'elle ne sèche, limitant ainsi la formation de traces et de dépôts.

La Technologie QuickClean : Faciliter le Quotidien
De nombreux produits Grohe sont équipés de la technologie QuickClean, une fonction innovante spécialement conçue pour faciliter le nettoyage des mitigeurs et des douches. Cette technologie permet d'éliminer sans effort les dépôts calcaires et de saleté, garantissant ainsi que vos produits restent propres et fonctionnels plus longtemps. Grâce à l'utilisation de picots flexibles sur les régulateurs de jet, le mitigeur peut être entretenu simplement du bout du doigt. Cela permet d'éliminer rapidement et efficacement le calcaire et les particules de saleté, offrant un gain de temps et d'efforts lors du nettoyage, et assurant que les mitigeurs restent toujours éclatants.
En cas de légers dépôts calcaires, la technologie QuickClean de Grohe offre une solution efficace. Les picots flexibles des jets permettent au calcaire et à la saleté de s'éliminer facilement en frottant les picots du bout des doigts. Pour les dépôts calcaires plus importants, l'acide citrique reste la solution privilégiée, appliquée comme décrit précédemment.
Ce Qu'il Faut Éviter : Les Produits Agressifs
Le choix d'un produit de nettoyage peut parfois sembler une odyssée à travers une panoplie de produits. Cependant, il est essentiel de comprendre pourquoi certains détergents sont à proscrire. Les concentrés traditionnels avec un grand pouvoir nettoyant irritent souvent les mains et les yeux, peuvent déclencher des allergies et rougir les peaux sensibles. Le matériau du robinet souffre également de produits chimiques trop puissants. Dans un premier temps, les dommages peuvent passer inaperçus, mais il suffit d'égratignures microscopiques ou de brûlures superficielles pour ternir la brillance du matériau. À long terme, la saleté et le calcaire peuvent alors se déposer plus facilement à ces endroits.
C'est pourquoi Grohe recommande vivement d'éviter les produits de nettoyage à base de vinaigre, d'acide acétique, d'acide formique, de soude caustique, d'eau de javel, d'acide phosphorique ou même d'acide chlorhydrique. Ces substances sont en partie fortement irritantes et, utilisées fréquemment, elles endommagent le métal et le fini du produit. Les détergents doux, quant à eux, sont plus respectueux de l'environnement.
Le Démontage d'un Mitigeur Grohe : Un Guide Pas à Pas
Votre mitigeur Grohe goutte, a perdu de la pression ou doit simplement être remplacé ? Avant d'appeler un plombier et d'engager des frais conséquents, sachez que le démontage d'un mitigeur Grohe peut être une opération accessible, même si vous êtes novice en bricolage. Ce guide est conçu pour vous accompagner pas à pas, en vous fournissant toutes les informations nécessaires pour mener à bien cette tâche en toute sécurité et avec efficacité. Avec les bonnes instructions et un peu de patience, vous pouvez économiser de l'argent et acquérir une nouvelle compétence en plomberie DIY.

La Préparation : Une Étape Cruciale
La préparation est une étape cruciale pour garantir un démontage de votre mitigeur Grohe sans encombre. En rassemblant les bons outils, en coupant l'alimentation en eau et en protégeant votre espace de travail, vous minimisez les risques d'accidents, de dommages matériels et de perte de temps. Une préparation minutieuse vous permettra de travailler dans des conditions optimales et d'obtenir un résultat satisfaisant.
Avant de commencer, assurez-vous d'avoir tous les outils nécessaires à portée de main. Avoir les bons outils facilitera grandement le processus et vous évitera de devoir interrompre votre travail pour aller chercher ce qui vous manque.
Outils potentiellement nécessaires :
- Tournevis plat (petit)
- Clé Allen de 3mm
- Clé à pipe de 32mm (ou clé plate de taille appropriée)
- Clé à molette
- Chiffons doux en coton
- Récipient pour recueillir l'eau résiduelle
- Boîte compartimentée pour les petites pièces (vis, joints)
Astuce de pro : Pour ne pas perdre les petites pièces comme les vis ou les joints, utilisez une boîte compartimentée. Cela vous permettra de les ranger et de les retrouver facilement lors du remontage. Croyez-moi, cette simple astuce vous fera gagner un temps précieux !
Couper l'Alimentation en Eau : La Priorité Absolue
La première étape et la plus importante est de couper l'alimentation en eau du mitigeur. Oublier cette étape peut entraîner des inondations et des dégâts d'eau importants. Prenez le temps de localiser et de fermer correctement les vannes d'arrêt avant de procéder au démontage. Vérifiez ensuite l'absence d'eau en ouvrant le robinet.
Astuce de pro : Pour vider complètement les tuyaux, ouvrez un autre robinet situé plus bas dans la maison. Cela créera un appel d'air qui facilitera l'écoulement de l'eau résiduelle et réduira les risques de fuites lors du démontage.
Protéger la Zone de Travail
Il est important de protéger la zone de travail pour éviter d'endommager l'évier ou d'autres surfaces. Un simple chiffon ou une serviette peut faire l'affaire. De plus, assurez-vous d'avoir suffisamment d'espace pour travailler confortablement et en toute sécurité. Un espace dégagé vous permettra de vous concentrer sur la tâche à accomplir et d'éviter les accidents.
Les Étapes du Démontage
Maintenant que vous êtes bien préparé, passons aux étapes concrètes du démontage. Il est crucial de suivre ces instructions attentivement et de prendre votre temps. Si vous rencontrez des difficultés, n'hésitez pas à faire une pause et à relire les instructions. Rappelez-vous, la patience est une vertu, surtout en bricolage.
1. Retirer le Bouton ou la Manette
Le démontage du bouton ou de la manette est généralement la première étape du processus de démontage d'un mitigeur Grohe. Cette étape est relativement accessible, mais il est important de la réaliser avec précaution pour ne pas endommager le mécanisme.
- Localisez la vis de fixation. Elle est souvent dissimulée sous un petit cache en plastique. Utilisez un petit tournevis plat pour retirer ce cache.
- Retirez la vis à l'aide de la clé Allen de 3mm.
- Retirez délicatement le bouton ou la manette en tirant vers le haut.
Astuce de pro : Si le bouton est difficile à retirer, essayez de le faire pivoter doucement tout en tirant dessus. De petits mouvements de rotation et de traction simultanés peuvent aider à le désolidariser du reste du mécanisme sans forcer et sans l'abîmer.
2. Retirer le Capuchon et Dévisser l'Écrou
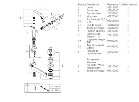
Une fois la manette retirée, vous accéderez généralement à un capuchon et à un écrou qui maintiennent la cartouche en place.
- Enlevez le capuchon (s'il y en a un).
- À l'aide d'une clé à pipe de 32mm (ou une clé plate de la bonne taille), dévissez l'écrou.
- Tirez fermement la cartouche vers vous. Si elle est bloquée, vous pouvez vous aider en replaçant brièvement le levier pour avoir plus de prise.
Difficultés potentielles et solutions : Si la cartouche est bloquée, utilisez du WD-40 et laissez agir quelques minutes. Essayez ensuite de la faire pivoter doucement. Si les joints sont abîmés, prévoyez de les remplacer. Un joint abîmé peut être la cause d'une fuite, il est donc important de le remplacer pour assurer l'étanchéité du mitigeur.
Conseil Grohe spécifique : Les cartouches Grohe sont souvent équipées de la technologie SilkMove, qui assure une manipulation douce et précise du robinet. Lors du remontage, veillez à ne pas forcer et à respecter le sens de montage de la cartouche.
3. Vérifier le Corps du Robinet
Avant de procéder au remontage ou au remplacement de la cartouche, il est essentiel de vérifier l'absence de joints ou de corps étrangers dans le corps du robinet. Ces éléments peuvent empêcher une bonne étanchéité ou le bon fonctionnement de la nouvelle cartouche.
4. Démontage du Corps du Mitigeur (Sous l'Évier)
Le démontage du corps du mitigeur se fait généralement sous l'évier. Cette étape consiste à débrancher les flexibles d'alimentation en eau et à desserrer l'écrou de fixation qui maintient le mitigeur en place. Assurez-vous d'avoir un récipient à portée de main pour recueillir l'eau résiduelle.
- Dévissez les flexibles d'alimentation en eau.
- Localisez l'écrou de fixation qui maintient le mitigeur au plan de travail ou à l'évier.
- À l'aide d'une clé appropriée, desserrez et retirez cet écrou.
- Tirez ensuite le corps du mitigeur vers le haut pour le désolidariser.
Astuce de pro : Pour faciliter l'accès à l'écrou de fixation sous l'évier, surtout si l'espace est restreint, utilisez une clé à tube coudée. Cet outil vous permettra d'atteindre l'écrou plus facilement et de le desserrer sans difficulté.
5. Démontage du Bec (si nécessaire)
Le démontage du bec n'est nécessaire que si vous devez le remplacer ou le nettoyer en profondeur. Le processus est généralement simple, mais il peut varier en fonction du type de bec (fixe ou orientable).
- Localisez la vis de fixation qui maintient le bec en place. Elle peut être située à l'arrière ou sur le dessous du bec.
- Retirez cette vis.
- Tirez le bec pour le désolidariser.
Difficultés potentielles et solutions : Si le bec est bloqué, utilisez du WD-40 et essayez de le faire pivoter doucement. Si les joints sont abîmés, prévoyez de les remplacer. Un joint abîmé peut entraîner des fuites et une perte de pression.

Conseils Supplémentaires pour un Démontage et une Réparation Réussie
Pour que votre démontage et votre réparation de mitigeur Grohe se passent dans les meilleures conditions possibles, voici quelques conseils et astuces supplémentaires. Ces conseils vous aideront à éviter les erreurs courantes et à optimiser le processus.
Nettoyage des Pièces
Profitez du démontage pour nettoyer minutieusement toutes les pièces avec du vinaigre blanc afin d'éliminer le calcaire. Le calcaire peut s'accumuler avec le temps et réduire le débit d'eau, voire endommager les mécanismes. Un nettoyage régulier permettra de maintenir votre mitigeur en bon état de fonctionnement et de prévenir les problèmes futurs.
Inspection des Pièces d'Usure
Vérifiez attentivement l'état des joints, des flexibles et de la cartouche pour détecter les signes d'usure. Le remplacement des pièces usées est essentiel pour prolonger la durée de vie de votre mitigeur et éviter les fuites. Des joints usés ou des flexibles fissurés peuvent rapidement transformer une petite réparation en un problème majeur. L'inspection minutieuse des composants de votre mitigeur est essentielle pour identifier les signes d'usure qui pourraient compromettre son bon fonctionnement à long terme. Les joints, en particulier, sont sujets à la détérioration en raison de l'exposition constante à l'eau et aux variations de température. Des joints craquelés, durcis ou déformés doivent être remplacés immédiatement pour éviter les fuites et le gaspillage d'eau. De même, les flexibles d'alimentation peuvent se fragiliser avec le temps, ce qui peut entraîner des ruptures et des inondations. Une inspection régulière vous permettra de détecter ces problèmes à un stade précoce et de prendre les mesures correctives nécessaires.
Documentation Visuelle et Écrite
Prenez des photos à chaque étape du démontage pour faciliter le remontage. Prenez également des notes sur l'ordre de démontage et la position des pièces. Ces photos et notes vous serviront de guide lors du remontage et vous éviteront de vous perdre.
Identification des Pièces de Rechange
Les mitigeurs Grohe, malgré leur conception robuste, peuvent parfois nécessiter le remplacement de certaines pièces d'usure au fil du temps. L'identification précise de ces pièces est cruciale pour garantir la compatibilité et le bon fonctionnement du mitigeur après la réparation. Il est important de noter que les durées de vie des composants sont indicatives et peuvent varier en fonction de la qualité de l'eau, de la fréquence d'utilisation du mitigeur et des conditions environnementales. L'entretien régulier du mitigeur, tel que le nettoyage des dépôts de calcaire et la vérification de l'état des joints, peut contribuer à prolonger la durée de vie de ses composants. Pour identifier la pièce de rechange nécessaire, consultez le manuel d'utilisation de votre mitigeur Grohe. Vous y trouverez les références exactes. Vous pouvez également trouver des pièces de rechange dans les magasins de bricolage, sur des sites internet spécialisés ou directement auprès du service après-vente Grohe. Il est important de choisir des pièces de rechange de qualité pour assurer la durabilité de votre mitigeur.
Que Faire en Cas de Difficultés ?
Malgré tous vos efforts, il est possible que vous rencontriez des difficultés lors du démontage.
- Écrou grippé : Utilisez du WD-40, chauffez légèrement l'écrou (avec précaution !), ou utilisez une clé plus grande pour plus de levier.
- Pièces cassées : Si une pièce se casse pendant le démontage, contactez le service client Grohe ou un plombier.
- Incertitude : N'hésitez pas à faire appel à un professionnel dans les cas suivants :
- Si votre mitigeur est ancien et rouillé, rendant le démontage difficile et risqué.
- Si les joints sont indémontables, malgré l'utilisation de dégrippant.
- Si vous n'êtes pas sûr de vos compétences et préférez confier la tâche à un expert.

Le Remontage : L'Ordre Inverse des Choses
Le remontage se fait en suivant les étapes du démontage dans l'ordre inverse, en veillant à bien serrer les écrous et à vérifier l'étanchéité. N'hésitez pas à consulter les photos et les notes que vous avez prises lors du démontage. Un remontage soigné est essentiel pour éviter les fuites et garantir le bon fonctionnement de votre mitigeur Grohe.
Le remontage du mitigeur Grohe est une étape cruciale qui nécessite autant de soin que le démontage. Il est essentiel de suivre les instructions et de s'assurer que toutes les pièces sont correctement positionnées et serrées. Un remontage incorrect peut entraîner des fuites, une mauvaise performance du mitigeur et même des dommages.
Avant de commencer le remontage, nettoyez soigneusement toutes les pièces, en particulier les joints et les surfaces de contact. Utilisez un chiffon doux et un produit de nettoyage non abrasif. Assurez-vous également que tous les joints sont en bon état et remplacez ceux qui sont usés. Pour des instructions spécifiques au remontage de votre modèle Grohe, vous pouvez consulter le manuel d'utilisation disponible sur le site de Grohe.
Un bon serrage est primordial pour garantir l'étanchéité des raccords. Utilisez une clé à molette de la bonne taille et serrez les écrous avec une force modérée, en évitant de trop serrer, ce qui pourrait endommager les filetages.
Après avoir terminé le remontage, ouvrez lentement les vannes d'arrêt et vérifiez l'absence de fuites. Si vous constatez des fuites, resserrez les écrous et vérifiez l'état des joints. Si les fuites persistent, faites appel à un professionnel.
En suivant ce guide détaillé, vous avez toutes les cartes en main pour démonter et potentiellement réparer votre mitigeur Grohe sans difficulté. N'oubliez pas d'être prudent, patient et de ne pas hésiter à faire appel à un professionnel si vous rencontrez des problèmes. Prendre le temps de bien faire les choses vous permettra d'économiser, d'acquérir une nouvelle compétence et de prolonger la durée de vie de votre robinetterie.
Il est important de souligner que le bricolage, bien que gratifiant, comporte des risques. Il est donc essentiel de respecter les consignes de sécurité et de ne pas hésiter à faire appel à un professionnel en cas de doute. La sécurité doit toujours être votre priorité absolue. En suivant les conseils de ce guide et en faisant preuve de bon sens, vous pouvez mener à bien le démontage de votre mitigeur Grohe en toute sécurité et efficacité. Alors, n'hésitez plus, lancez-vous et profitez des avantages d'un mitigeur Grohe comme neuf !
Cas Spécifique : Mitigeur Grohe ATRIO avec Vannes à Croisillons
Dans certains cas, comme pour un mitigeur Grohe ATRIO avec des vannes à croisillons, le démontage peut présenter des spécificités. Si vous devez démonter ce type de modèle suite à une fuite dans le mur, et que le démontage des croisillons est nécessaire pour accéder aux rosaces et à l'intérieur, il peut y avoir des difficultés. L'utilisateur signale ne pas voir de clé Allen ni de possibilité de déclipser les croisillons. Essayer de les dévisser n'est pas concluant, et tirer dessus ne donne rien, avec la peur de forcer. Il est possible que ce modèle nécessite une approche spécifique pour retirer les croisillons, potentiellement en cherchant une vis de fixation cachée ou en utilisant une technique de levier douce. Si aucune solution évidente ne se présente, il est conseillé de consulter le manuel d'installation spécifique de ce modèle ou de contacter le service client Grohe pour obtenir des instructions précises.

tags: #demonter #mitigeur #grohe #p #ix #9100
